Красноярск +7 (391) 256-03-74, 256-04-23 Заказать звонок
Адрес: ул.Телевизорная, 4
Время работы: ПН-ПТ 9-18, СБ, ВС - выходной
Войти Регистрация
Корзина0 позиций
на сумму 0 руб.

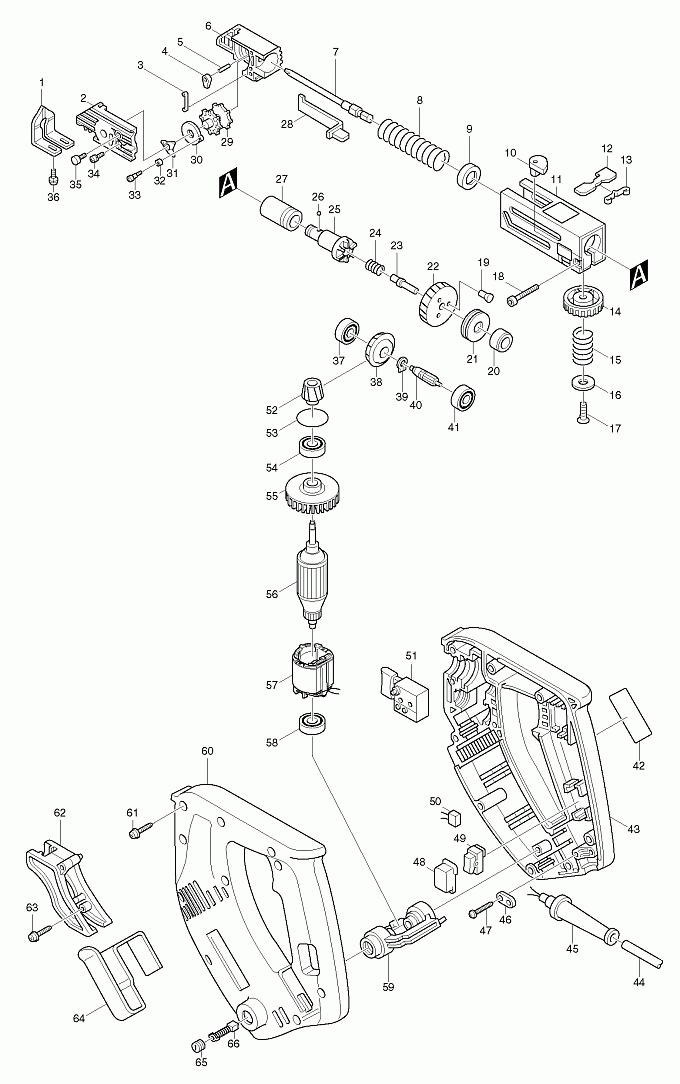
6832

Артикул
Наименование
Кол.
1
344237-2
деталь
1
2
152502-3
Предохранительный упор 6830/
1
2
152425-5
Предохранительный упор 6832/(верс1)
1
3
232132-7
Плоская пружина 6830/9831D/
1
4
311923-0
Упор к модели 6830/6831D/6832
1
5
256254-9
Шпилька 3(верс1)
1
6
152501-5
Направляющий корпус(new)
1
6
152503-1
Направляющий корпус(new)
1
6
152467-9
деталь(верс1)
1
7
784247-1
+ BIT 2-127(new)
1
7
784237-4
Насадка Phillips 127 мм. № 2(верс1)
1
8
233141-9
Компрессионная пружина 21
1
9
421467-3
Крышка пылесборника 6830/
1
10
310008-9
Штифт переключателя для 6832/(new)
1
11
150564-5
Внешняя панель корпкса
1
12
344306-9
Пластина скольжения для 6832
1
13
232152-1
Плоская пружина
1
14
415829-5
Ручка-регулятор 40 к 6830/6832(new)
1
15
233089-5
Компрессионная пружина 12
1
16
267117-4
Плоская шайба 6 к 6830/6831D/
1
17
912117-6
Потайной винт M4X12 к 6835D/
1
18
922146-1
Болт с внутр.шестигран. М4Х25
1
19
256467-2
Шпилька 4(new)
3
19
256439-7
Шпилька 4(верс1)
3
20
214028-4
Подшипник скольжения 8
1
21
212042-4
Опорный игольч. подшипник 821
1
22
226454-5
Косозубая шестерня 59
1
23
256699-1
Шпилька 8
1
24
233126-5
Компрессионная пружина 6
1
25
223109-3
Шпиндель к 6832
1
26
216001-0
Стальной шарик 3.5
1
27
214164-6
Подшипник скольжения 14
1
28
165154-1
Пластина
1
29
311921-4
Колесо храповика к 6830/6831D/
1
30
311976-9
Диск храповика 6830/6831D/6832
1
31
232133-5
Плоская пружина 6830/6831/6832
1
32
257664-3
Bтулка 4 для 6830/6831D/6832
1
33
265036-8
Винт (+) с плоской головк.M3X5
1
34
911133-5
Винт M4X18 к 1911B
1
35
922132-2
Болт с внутр.шестигран. М4Х18(new)
2
35
922107-1
Болт с внутр.шестигран.М4Х8
2
36
922132-2
Болт с внутр.шестигран. М4Х18(new)
2
36
922107-1
Болт с внутр.шестигран.М4Х8
2
37
211014-6
Подшипник 606(верс1)
1
38
226705-6
Коническая спирал. шестерня 22
1
39
961005-4
Стопорное кольцо S-9 к 9069S/
1
40
226455-3
Косозубая шестерня 9
1
41
211014-6
Подшипник 606(верс1)
1
42
857939-6
NAME PLATE 6832
1
43
182601-7
Корпус к 6830/32/33/34
1
44
666066-6
Кабель пластиковый 1.00-2-2.5
1
45
682502-4
Усилитель кабеля 8-85 к 1806B/
1
46
687063-9
Зажим кабеля желтый (ME25)
1
47
265995-6
Самонарезающий винт 4X18
2
48
421621-9
Крышка пылесборника(new)
1
48
421460-7
Крышка пылесборника к HR2400/(верс1)
1
49
651556-2
Выключатель VLX11 к HR2400/
1
50
645173-8
Фильтр помех к JR3000V/HR1800/
1
51
651272-6
Выключатель SGEL106CV-1 6832/
1
52
226704-8
Коническая спирал. шестерня 15
1
53
213380-7
О-кольцо 24 резиновое HR2450/
1
53
213008-7
О-кольцо 22.4 резиновое
1
54
211061-7
Подшипник 10/26
1
55
241869-5
Крыльчатка 55 8451/HP2040/6830
1
56
517063-4
Pотор в сб. к 6830/6832/6833/
1
57
633258-2
Cтатор 220В к 6830/6832/6833/
1
58
210025-8
Подшипник 627LLB
1
58
211026-9
Подшипник 627LLB(верс1)
1
59
152433-6
Держатель щеток в сборе 6830/
1
60
182601-7
Корпус к 6830/32/33/34
1
61
266045-0
Самонарез. винт. фланец PT4X20(new)
10
62
415352-0
Направляющая винта
1
63
266045-0
Самонарез. винт. фланец PT4X20(new)
1
64
344056-6
Крючок для 6830/6832/6833/6834
1
65
643550-8
Колпачок щеткодержателя 5-8
2
66
191940-4
Угольные щетки CB-411
1
67
819063-3
Этикетка с эмблемой Макита S
1
1001
344054-0
Стопорная пластина для 6830/
1
1002
922107-1
Болт с внутр.шестигран.М4Х8
1
1004
783201-2
Ключ шестигранника 3 мм.
1
1005
410048-8
деталь
1
1006
824421-0
Пластиковый чемодан
1
2001
188319-8
CASING SET(new)
1
2001
182859-8
CASING SET(верс1)
1
2002
182858-0
FEEDER BOX SET
1


Войти Регистрация
Корзина0 позиций на сумму 0 руб.