Красноярск +7 (391) 256-03-74, 256-04-23 Заказать звонок
Адрес: ул.Телевизорная, 4
Время работы: ПН-ПТ 9-18, СБ, ВС - выходной
Войти Регистрация
Корзина0 позиций
на сумму 0 руб.

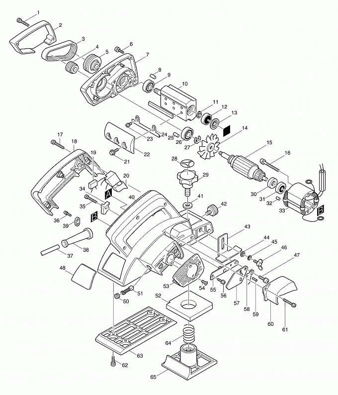
1923B

Артикул
Наименование
Кол.
1
911148-2
Винт M4X25(верс1)
2
2
411019-8
Защита ремня для 1902/1903B
1
3
225007-7
Ремень 4-241 к 1923B
1
4
222125-2
Шкив ремня 4-20L 1923H/B/1901(new)
1
5
222126-0
Шкив ремня 4-37 1923H/B/1901(new)
1
6
911136-9
Винт M4X20
6
7
152198-0
Корпус редуктора
1
8
263002-9
Резиновая шпилька 4
1
9
211062-5
Подшипник 10/26
1
10
161045-4
Барабан для модели 1923B
1
11
961003-8
Стопорное кольцо S-7 к HR2450/
1
12
210025-8
Подшипник 627LLB
1
13
285637-6
Фиксатор подшипника 7-21 1923H
1
14
241510-0
Крыльчатка 52 для 1923B/1902
1
15
511938-9
Pотор в сб. к 1901/1902/1923B(new)
1
16
911586-8
Винт M4X60 500/1901/1902/1923B
2
17
911153-9
Винт M4x28 к KP312S/1100/1125/
3
18
411304-9
Крышка рукоятки к модели 1923B
1
19
645253-0
Фильтр помех для 9542/HR2450/
1
20
651239-4
Выключатель SGES206C к 1923B/(new)
1
21
251609-3
Болт фланца шестигранный M6X17
6
22
187676-1
DRUM PLATE SET(new)
1
22
345001-4
Зажимная пластина 2 шт к 1100/(верс1)
1
23
251246-3
Винт (+) M4X5
4
24
342430-2
Направляющая пластина к 1923H/(верс1)
2
25
263002-9
Резиновая шпилька 4
1
26
211061-7
Подшипник 10/26
1
27
961015-1
Стопорное кольцо E-9 к 6222D/
1
28
893621-3
Этикетка вращ. ручки к 1923H(new)
1
28
816601-2
Этикетка вращ. ручки к 1923H/(верс1)
1
29
271231-0
Ручка-регул.46 для 1901/1923Н/
1
30
681614-0
Изоляционная шайба к HP1300S/
1
31
211028-5
Подшипник 627LB
1
33
599322-8
Cтатор в сбоpe 220В для 1923B
1
34
411306-5
Защита статора к модели 1923B
1
35
911128-8
Винт M4X16
1
36
911133-5
Винт M4X18 к 1911B
2
37
666066-6
Кабель пластиковый 1.00-2-2.5
1
38
682502-4
Усилитель кабеля 8-85 к 1806B/
1
39
687001-1
Держатель кабеля для BO4550/
1
40
156592-8
Основание в сборе для 1923B
1
41
941251-5
Плоская шайба 10 к 1902/2030/
1
42
251812-6
Bинт креп.парал.упора 164371-0
1
43
342390-8
Ограничитель уровня глубины
1
44
941101-4
Плоская шайба 5 к 1100/HR2430/
1
45
942101-7
Шайба Гровера 5 к 1100/3708F/
1
46
924206-5
Болт-барашек M5X10 к 3612 BR/
1
47
265006-7
Винт (+) M5X25
1
48
857300-7
Маркировочная табличка 1923B
1
50
643550-8
Колпачок щеткодержателя 5-8
2
51
181021-2
Угольные щетки СВ-51
1
52
421007-7
Резиновый уплотнитель к 1923H/
1
53
411305-7
Задняя крышка корпуса к 1923B
1
54
912117-6
Потайной винт M4X12 к 6835D/
2
55
165025-2
Пластина крепления барабана
1
56
911226-8
Винт M5X18 к 9069S/9047/9067/
1
57
343948-6
Крышка барабана к 1923H/1923В
1
58
231504-3
Торсионная пружина 10
1
59
951054-9
Пружинный штифт 3-10 к 1923H/
1
60
152464-5
Пылезащитная крышка к 1923B
1
61
911128-8
Винт M4X16
1
62
911226-8
Винт M5X18 к 9069S/9047/9067/
4
63
312023-9
Основание для 1901/1923B/1923H
1
64
231004-3
Компрессионная пружина 18
1
65
316587-5
Переднее основание корпуса
1
400
793322-2
ТС 2-х стор.нож82мм 2шт(однор)
1
401
165581-2
Параллельный упор(new)
1
401
165259-7
Параллельный упор 1923B/1923H(new)
1
411
782209-3
Торцовый ключ 9 для креп.ножей
1
917
343947-8
Пластина скольжения для 1923B/
1
918
253807-5
Плоская шайба 5
1
920
343433-9
Приж.пластина на пов.нож 82мм.
2


Войти Регистрация
Корзина0 позиций на сумму 0 руб.