Красноярск +7 (391) 256-03-74, 256-04-23 Заказать звонок
Адрес: ул.Телевизорная, 4
Время работы: ПН-ПТ 9-18, СБ, ВС - выходной
Войти Регистрация
Корзина0 позиций
на сумму 0 руб.

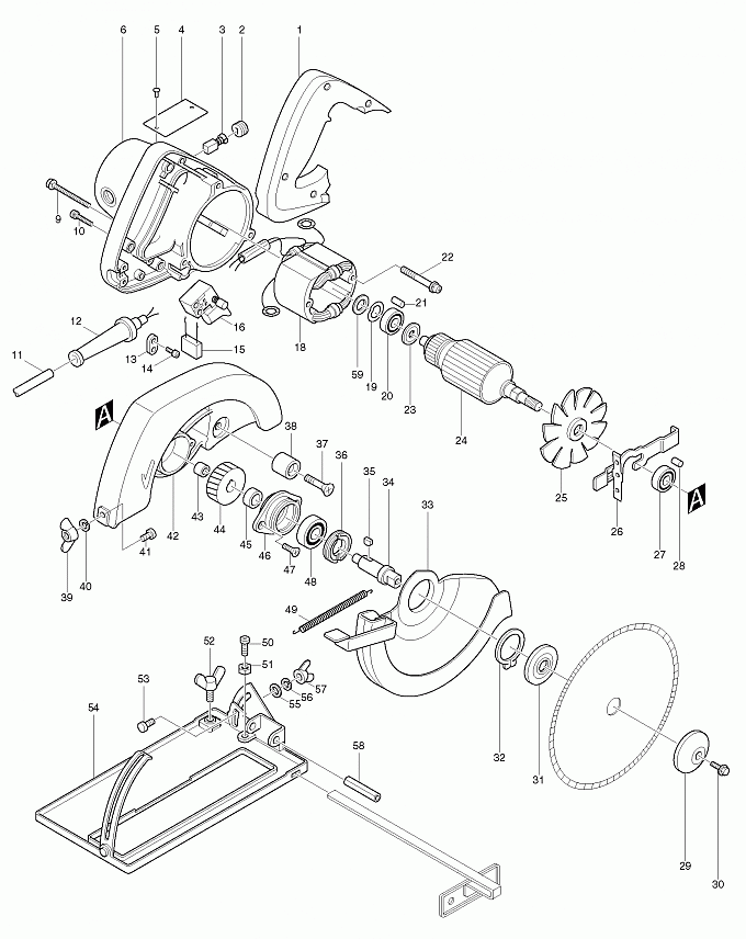
5801B

Артикул
Наименование
Кол.
1
411324-3
Крышка рукоятки
1
2
643600-9
Колпачок щеткодержателя 6-10
2
3
181030-1
Угольные щетки CB-100
1
4
815026-7
NAME PLATE 5801B
1
5
953106-2
Заклёпка 0-5 для 4110C/1901/
2
6
157342-4
MOTOR HOUSING COMPLETE
1
9
911268-2
Винт M5X45 к KP312S/4302C/
3
10
911158-9
Винт M4X30 к 1050D/1125/1901/
4
11
666066-6
Кабель пластиковый 1.00-2-2.5
1
12
682502-4
Усилитель кабеля 8-85 к 1806B/
1
13
687001-1
Держатель кабеля для BO4550/
1
14
911133-5
Винт M4X18 к 1911B
2
15
645105-5
Фильтр помех 1100/2708/LS1013/
1
16
650210-5
Выключатель SGE215C-3 к 5012В/
1
16
651236-0
Выключатель C2M-M1T
1
18
522145-9
Cтатор в сборе к 5800NB/5801NB
1
19
253936-4
Волновая шайба 15
1
20
211031-6
Подшипник 608LLB
1
21
263002-9
Резиновая шпилька 4
1
22
911285-2
Винт M5X60
2
23
681613-2
Изоляционная шайба для 1125/
1
23
681603-5
Изоляционная шайба для 1125(верс1)
2
24
512469-1
Pотор в сборе для модели 5801B
1
25
241091-4
FAN 86
1
26
163097-1
Стопор шпинделя для 5801B
1
27
211066-7
Подшипник 10/30
1
28
263005-3
Резиновая шпилька 6
1
29
251609-3
Болт фланца шестигранный M6X17
1
30
224011-3
Наружный фланец 45 SR1800
1
31
224180-0
Внутренний фланец 45 5604R/
1
32
961155-5
Стопорное кольцо S-38 к 5801B/
1
33
164412-2
Защитный кожух для 5801B
1
34
325079-3
Шпиндель к SR1800
1
35
254011-9
Сегментная шпонка 4
1
36
285802-7
Фиксатор подшипника 19-33
1
37
251224-3
Винт+ с потайной головкойM6X28
1
38
262501-8
Резиновая втулка 6
1
39
934301-3
Барашковая гайка M6
1
40
942151-2
Шайба Гровера 6 к 2400B/2412N/
1
41
251919-8
Болт с квадр.подголовком M6X20
1
42
152220-3
Кожух диска для 5801B
1
43
212004-2
Игольчатый подшипник 810
1
44
221602-1
Косозубая шестерня 44 к LS0810
1
45
257012-6
Kольцо 12
1
46
312261-3
Корпус подшипника для 5801B
1
47
912122-3
Потайной винт М4Х14
2
48
211106-1
Подшипник 6201LLB
1
49
231703-7
Натяжная пружина 5
1
50
911227-6
PAN HEAD SCREW M5X18
1
51
931202-6
Шестигранная гайка M5 HR2430/
1
52
924306-1
Болт-барашек M6X10
1
53
251919-8
Болт с квадр.подголовком M6X20
1
54
133150-7
Основание в сборе для 5801B
1
55
941151-9
Плоская шайба 6 для HR3000C/
1
56
942151-2
Шайба Гровера 6 к 2400B/2412N/
1
57
934301-3
Барашковая гайка M6
1
58
951225-8
Пружинный штифт 6-40 LS0810/
1
59
253707-9
Плоская шайба 16
1
17
685703-3
Губчатая прокладка к 5801B
1
401
164095-8
Паралл. упор для 5604/4105КВ
1
402
782209-3
Торцовый ключ 9 для креп.ножей
1


Войти Регистрация
Корзина0 позиций на сумму 0 руб.