Красноярск +7 (391) 256-03-74, 256-04-23 Заказать звонок
Адрес: ул.Телевизорная, 4
Время работы: ПН-ПТ 9-18, СБ, ВС - выходной
Войти Регистрация
Корзина0 позиций
на сумму 0 руб.

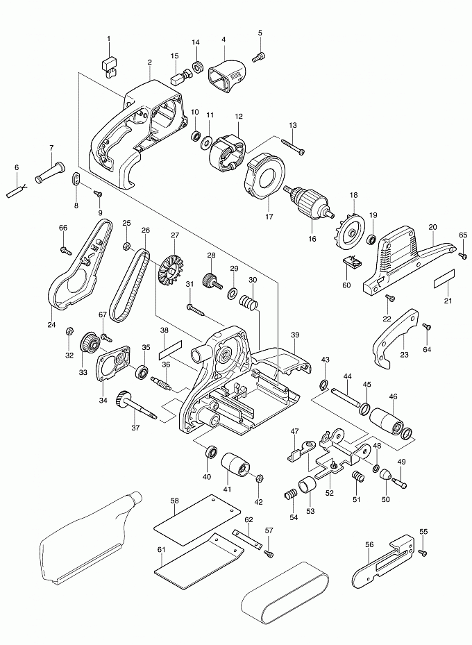
9404

Артикул
Наименование
Кол.
1
651284-9
Выключатель SGEL115CDY - 6
1
2
151743-8
Корпус двигателя 9404/9903/20
1
4
417049-7
Передняя рукоятка к 9404/9903/
1
5
266173-1
Самонарез. винт. фланец PT5X30
1
6
665890-4
Кабель резиновый 1.0-2-4.0
1
6
666240-6
Кабель резиновый 1.0-2-4.0(верс1)
1
7
682540-6
Усилитель кабеля 9.3-90 2030/
1
7
682503-2
Усилитель кабеля 8-90 к 9029S/
1
8
687052-4
Прижимная пластина к HR2450/
1
8
687063-9
Зажим кабеля желтый (ME25)
1
9
265995-6
Самонарезающий винт 4X18
2
10
211088-7
Подшипник 6000DDW/
1
11
681649-1
Изоляционная шайба для 9403/
1
12
523404-4
Cтатор в сб. к 9920/9404/9903
1
13
266056-5
Самонарез. винт. фланец PT5X45
2
14
643750-0
Колпачок щеткодержателя к 4131
2
15
191963-2
Угольные щетки CB-303
1
16
513339-7
Pотор в сборе к 9920/9903/9404
1
17
417050-2
Защита статора для 9404/9903/
1
18
240026-2
Крыльчатка 75 9903/9404/9920
1
19
210023-2
Подшипник 7/22
1
20
417048-9
Крышка двигателя для 9404/9920
1
21
819001-5
Этикетка с эмблемой Макита
1
22
265995-6
Самонарезающий винт 4X18
4
23
417051-0
Крышка рукоятки для 9404/9903/
1
24
417052-8
Защита ремня к 9404/9903/9920
1
25
252153-3
Шестигр. гайка M6-10
1
26
225084-9
Ремень 6-330 к 9404/9903/9920
1
27
241663-5
Крыльчатка 76 9404/9903/9920
1
28
251815-0
Bинт M6x25 3707/9403/9920/(верс1)
1
29
253707-9
Плоская шайба 16
1
30
231225-7
Компрессионная пружина 16
1
31
266050-7
Самонарез. винт. фланец PT4X30
5
32
931402-8
Шестигранная гайка M8 HR5001C/
1
33
222156-1
Шкив 9.5-46.0 к 9404/9903/9920
1
34
317273-1
Крышка редуктора к 9404/9903/
1
35
211092-6
Подшипник 9/26
1
35
210078-7
Подшипник 9/26(верс2)
1
35
211092-6
Подшипник 9/26
1
36
226520-8
Косозубая шестерня 10
1
37
151755-1
Косозубая шестерня 39 с валом
1
38
852039-7
Маркировочная табличка к 9404
1
39
151748-8
Каркас для 9404
1
40
211088-7
Подшипник 6000DDW/
1
41
162217-4
Ведущий ролик 9404/9903/9920
1
42
252154-1
Гайка M8-13
1
43
961052-5
Стопорное кольцо S-12 9555NB/
1
44
323932-7
Вал ведомого ролика для 9404
1
45
253922-5
Тарельчатая шайба 12 9920/
2
46
151754-3
Ведомый ролик для 9404 (Металл
1
47
344823-9
Рычаг к модели 9903/9404/9920
1
48
267731-6
Тарельчатая шайба 4 для 9920/
1
49
265059-6
Ступенчатый винт М4
1
50
416417-1
Ролик к 9404/9903/9910/ пласт.
1
51
233249-9
Компрессионная пружина 7
1
52
151745-4
Кронштейн натяж. ведом. ролика
1
53
267746-3
Тарельчатая шайба 17 для 9903/
1
54
233250-4
Компрессионная пружина 12
1
55
266034-5
Самонарезающий винт CT4X16
2
56
344822-1
Защитный кожух для 9404/9920
1
57
911117-3
Винт M4X12 к UB1100
2
58
193202-6
Пробковая подошва 9404
1
60
631380-9
Контроллер для 9404/9903/9920
1
61
193201-8
Графитовая подошва к 9404
1
62
344849-1
Крепительная планка для 9404
1
64
265995-6
Самонарезающий винт 4X18
3
65
266034-5
Самонарезающий винт CT4X16
1
66
266034-5
Самонарезающий винт CT4X16
1
67
266034-5
Самонарезающий винт CT4X16
4
1001
122591-2
Пылесборник для 9404/9903/9920
1
1002
794135-4
ABRASIVE BELT 100X610 WA80
1
5001
654532-5
Соединитель
1
5002
645105-5
Фильтр помех 1100/2708/LS1013/
1


Войти Регистрация
Корзина0 позиций на сумму 0 руб.