Красноярск +7 (391) 256-03-74, 256-04-23 Заказать звонок
Адрес: ул.Телевизорная, 4
Время работы: ПН-ПТ 9-18, СБ, ВС - выходной
Войти Регистрация
Корзина0 позиций
на сумму 0 руб.

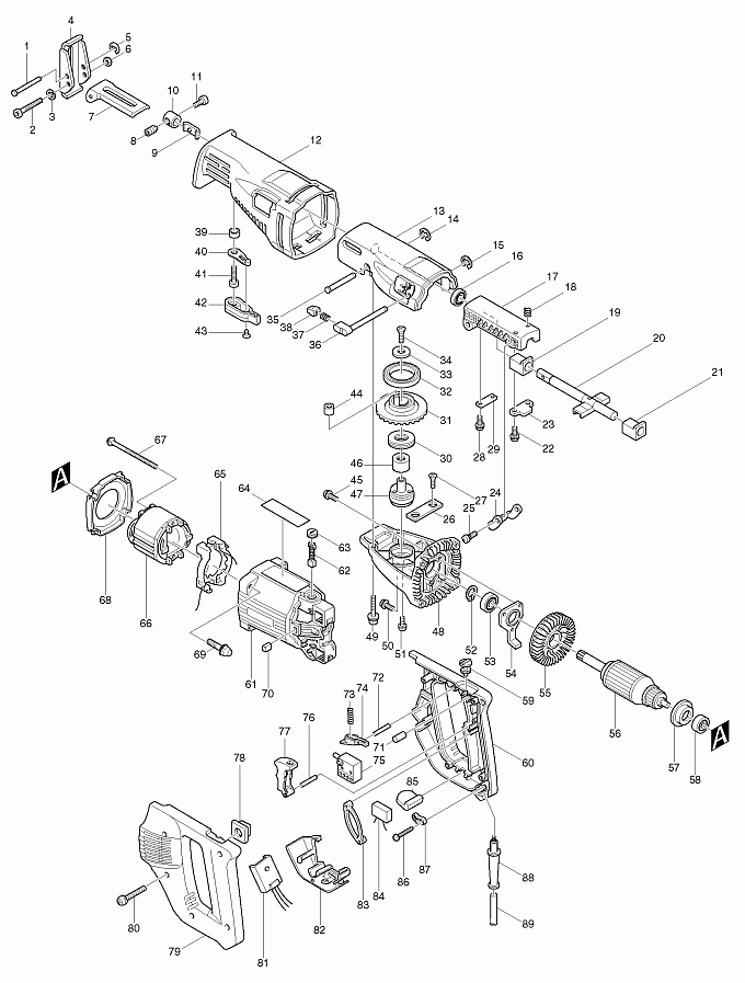
JR3020

Артикул
Наименование
Кол.
1
256654-3
Шпилька 4
1
2
266242-8
Болт с внутр.шестигран. M5X45(new)
1
2
922907-9
Болт с внутр.шестигран. М5Х45(верс1)
1
3
942101-7
Шайба Гровера 5 к 1100/3708F/
1
4
344095-6
Пластина упора для JR3020
1
5
961017-7
Стопорное кольцо E-3 к HR2450/
1
6
252103-8
Шестигр.стопорная гайка М5-8
1
7
344096-4
Кронштейн упора для JR3020
1
8
265836-6
Винт фиксации M8X9 JR3000V
1
9
232165-2
Плоская пружина для JR3020(new)
1
9
232129-6
Плоская пружина(верс1)
1
10
313075-3
Пилкодержатель JR3000V/JR3020/(new)
1
10
313067-2
Пилкодержатель JR3000V/JR3020(верс2)
1
11
266090-5
Болт M5X15 с внутр.шестигранн.(new)
1
11
265986-7
Болт с внутр.шестигран. M5X13(верс1)
1
12
421451-8
Пылезащитный колпак для JR3020
1
13
159614-3
Крышка корп. редуктора JR3020
1
14
961012-7
Стопорное кольцо E-6 к BLS820/
1
15
961012-7
Стопорное кольцо E-6 к BLS820/
1
16
213171-6
Пыльник 12.7 для JR3020(new)
1
16
213170-8
Пыльник 12(верс1)
1
17
316765-7
Опора ползуна к модели JS3020(new)
1
17
415172-2
Опора ползуна для JR3020(верс1)
1
18
231342-3
Компрессионная пружина 4
2
19
214167-0
Подшипник скольжения 12.7(new)
1
19
214161-2
Подшипник скольжения 12.7(верс2)
1
19
211135-4
Подшипник скольжения JR3020(верс1)
1
20
168281-3
Ползун для LS3020(new)
1
20
168268-5
Ползун для JR3020(верс2)
1
20
168250-4
Ползун для LS3020(верс1)
1
21
214167-0
Подшипник скольжения 12.7(new)
1
21
214161-2
Подшипник скольжения 12.7(верс2)
1
22
266086-6
Болт M5X16 с внутр.шестигранн.
2
22
911621-2
PAN HEAD SCREW M5X16(верс1)
2
23
343980-0
Пластина B
1
24
343983-4
Рукоятка для модели JR3020
1
25
265011-4
Винт (+) с обвязывающей гол.М5
2
26
343981-8
Пластина C для JR3000V/JR3020/
1
27
251969-3
Болт с внутр. шестигран. M5X12
2
28
266086-6
Болт M5X16 с внутр.шестигранн.
2
28
911621-2
PAN HEAD SCREW M5X16(верс1)
2
29
341462-6
Пластина для BJR240/JR3000V/
1
29
344048-5
Пластина A(верс1)
1
30
212308-2
Опорный игольч. подшипник 2035
1
31
153218-3
Шестерня для модели JR3020
1
32
211519-6
Подшипник 6808
1
33
253816-4
Плоская шайба 6
1
34
251969-3
Болт с внутр. шестигран. M5X12
1
35
268012-1
Шпилька 7 для JR3020/JR3060T/(new)
1
35
256681-0
Шпилька 6 JR3020(верс1)
1
36
272228-2
Рычаг 20 для модели JR3020
1
37
231309-1
Компрессионная пружина 5
1
38
415173-0
Упор для модели JR3020
1
39
257106-7
Kольцо 8
1
40
343982-6
Стопорная пластина для JR3020
1
41
921432-7
Болт с шестигранной гол. M8X20
1
42
272235-5
Рычаг 50 для модели JR3020(new)
1
42
272227-4
Рычаг 50 JR3020(верс1)
1
43
922201-9
Болт с внутр.шестигран. М5Х8
1
43
912202-5
Потайной винт M5X8 для 4110C/
1
44
212038-5
Игольчатый подшипник 710
1
45
911601-8
Винт M5x8 для JR180D/JR3020/
2
46
212115-3
Игольчатый подшипник 1216
1
47
321263-8
Шпиндель для JR3000V/JR3020/
1
48
316464-1
Корпус редуктора для JR3020
1
49
911243-8
Винт M5X25 к HR5000/4131/9901/
4
50
911621-2
PAN HEAD SCREW M5X16(верс1)
1
51
911213-7
Винт M5X12 для LS1013/1805B/
3
52
961052-5
Стопорное кольцо S-12 9555NB/
1
53
211131-2
Подшипник 12/28
1
54
285675-8
Фиксатор подшипника к JR3020
1
55
241863-7
Крыльчатка 70 HR3000C/HR3550C
1
56
516168-7
Pотор в сборе 220В для JR3020
1
57
681625-5
Изоляционная шайба для HR2010/
1
58
210005-4
Подшипник 608DDW
1
59
415174-8
Регулятор скорости JR3020
1
60
182806-9
Рукоятка в сборе к JR3020
1
60
182578-6
Рукоятка в сборе к JR3020(верс1)
1
61
159840-4
Корпус двигателя в сб. JR3020
1
61
159546-4
MOTOR HOUSING(верс1)
1
62
194547-5
Угольные щетки CB-253(new)
1
62
191941-2
Угольные щетки CB-251(верс1)
1
63
643750-0
Колпачок щеткодержателя к 4131
2
64
857206-9
NAME PLATE JR3020
1
65
632461-2
Опора статора для JR3020
1
66
634168-6
Cтатор 220В для модели JR3020
1
67
266029-8
Самонарез. винт. фланец PT5X65
2
67
911686-4
PAN HEAD SCREW M5X65
2
68
415157-8
Защита статора на JR3020/8406С
1
69
911253-5
Винт M5x30 к 1805B/2414/2704/
4
70
421447-9
деталь
2
71
263002-9
Резиновая шпилька 4
1
72
256221-4
Шпилька 3
1
73
233024-3
Компрессионная пружина 4
1
74
415160-9
Кнопка стопора
1
75
651921-5
Выключатель SGE110CV-1P JR3020
1
76
256221-4
Шпилька 3
1
77
415158-6
Рычаг выключателя для JR3020/
1
78
421446-1
деталь
4
79
182806-9
Рукоятка в сборе к JR3020
1
79
182578-6
Рукоятка в сборе к JR3020(верс1)
1
80
265999-8
Самонарез. винт. фланец 4X25(верс2)
5
80
911158-9
Винт M4X30 к 1050D/1125/1901/
5
81
631149-1
деталь
1
82
415156-0
деталь
1
83
421448-7
деталь
1
84
645209-3
Фильтр помех к BO4560/HR2000/(new)
1
85
421452-6
деталь
1
86
265995-6
Самонарезающий винт 4X18
2
87
687052-4
Прижимная пластина к HR2450/
1
87
687063-9
Зажим кабеля желтый (ME25)
1
88
682540-6
Усилитель кабеля 9.3-90 2030/
1
89
665890-4
Кабель резиновый 1.0-2-4.0
1
1001
792146-3
Ножовочная пилка № 21
1
1002
792147-1
Ножовочная пилка№ 22 160мм мет
1
1003
792148-9
Ножовочная пилка№23 165х18х1.0
1
1004
783202-0
Шестигранный ключ 4 к 4341CT/
1
1005
410048-8
деталь
1
1006
824539-7
PLASTIC CARRYING CASE
1
5011
415373-2
деталь
1


Войти Регистрация
Корзина0 позиций на сумму 0 руб.