Красноярск +7 (391) 256-03-74, 256-04-23 Заказать звонок
Адрес: ул.Телевизорная, 4
Время работы: ПН-ПТ 9-18, СБ, ВС - выходной
Войти Регистрация
Корзина0 позиций
на сумму 0 руб.

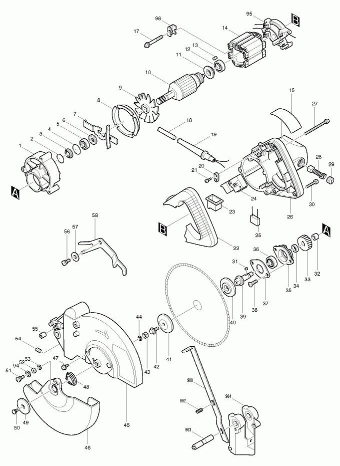
LS0810

Артикул
Наименование
Кол.
1
157402-2
Корпус редуктора
1
2
213407-3
О-кольцо 26 резиновое
1
3
343318-9
Шайба 23
1
4
213406-5
О-кольцо 30 резиновое
1
5
211066-7
Подшипник 10/30
1
6
253769-7
Плоская шайба 10
1
7
163109-0
Стопорная ручка для LS0810
1
8
343319-7
Защита статора для LS0810
1
9
240007-6
Крыльчатка 68 к LS0810/4101RH
1
9
241838-6
FAN 68(верс1)
1
10
512867-9
Pотор в сборе для LS0810
1
11
681625-5
Изоляционная шайба для HR2010/
1
12
211031-6
Подшипник 608LLB
1
13
263014-2
Резиновая шпилька 4
1
14
634133-5
Cтатор 220В для модели LS0810(new)
1
14
528776-2
Cтатор 220В для модели LS0810(верс1)
1
15
855942-1
NAME PLATE LS0810
1
17
911285-2
Винт M5X60
2
18
666066-6
Кабель пластиковый 1.00-2-2.5
1
19
682502-4
Усилитель кабеля 8-85 к 1806B/
1
20
687001-1
Держатель кабеля для BO4550/
1
21
911133-5
Винт M4X18 к 1911B
2
22
410650-7
Крышка рукоятки
1
23
421142-1
Защитный кожух выкл. к LS0810/
1
24
651245-9
Выключатель SGEL106C-1 LS0810(new)
1
24
651333-2
Выключатель SGE210R-1 к LS0810(верс1)
1
25
645200-1
Фильтр помех для 5012B/HR2400/
1
26
157693-5
Корпус двигателя для LS0810
1
27
911293-3
PAN HEAD SCREW M5X70
3
28
181030-1
Угольные щетки CB-100
1
29
643600-9
Колпачок щеткодержателя 6-10
2
30
911148-2
Винт M4X25(верс1)
4
31
254011-9
Сегментная шпонка 4
1
32
212004-2
Игольчатый подшипник 810
1
33
221602-1
Косозубая шестерня 44 к LS0810
1
34
257010-0
Кольцо 12 для LS0810/5621RD
1
35
315875-7
Корпус подшипника для LS0810
1
36
211106-1
Подшипник 6201LLB
1
36
211144-3
Подшипник 12/32(верс2)
1
36
211106-1
Подшипник 6201LLB
1
37
285659-6
Фиксатор подшипника 48 LS0810
1
38
251316-8
Винт (+) с потайной гол. M4X20
2
39
321904-6
Шпиндель для модели LS0810
1
40
224233-5
Внутренний фланец 45
1
41
224234-3
Наружный фланец 45
1
42
265226-3
Болт фланца шестигранный M6X17
1
43
931202-6
Шестигранная гайка M5 HR2430/
1
44
942101-7
Шайба Гровера 5 к 1100/3708F/
1
45
154916-2
BLADE CASE COMPLETE(new)
1
45
151272-1
BLADE CASE COMPLETE(верс1)
1
46
419479-8
Защитный кожух к LS0810(new)
1
46
414323-4
Защитный кожух к LS0810(верс1)
1
47
265323-5
Болт фланца шестигранный M5X10
1
48
231934-8
Спиральная пружина 24 к LS0810
1
49
253977-0
Плоская шайба 6 LS0810/LS1030
1
50
923901-4
Болт с квадр.осн.шляпки M5X8
1
51
251331-2
Винт (+) M6
1
52
257157-0
Kольцо 8
1
53
253047-5
Плоская шайба 6
1
54
265832-4
Болт с внутр.шестигран. M5X8
1
55
262513-1
Резиновая втулка 5
2
56
251331-2
Винт (+) M6
1
57
253022-1
Плоская шайба 8
1
58
343466-4
Направляющая кожуха диска
1
94
253139-0
Плоская шайба 8 6824N/
1
95
632675-3
Опора статора для LS0810(new)
1
95
632121-6
SUPPORT COMPLETE(верс1)
1
96
343657-7
Держатель для 4014NV/LS0810/
2
900
164837-0
Рычаг стопора
1
902
231223-1
Компрессионная пружина 6
1
903
322110-6
деталь
1
904
152311-0
Рукоятка в сборе
1
97
344631-8
Держатель пружины к LS0810
1
400
252628-2
Барашковая гайка M6
1
401
164806-1
Держатель
1
402
271271-8
Ручка-регулятор 40 LS0810
1
404
122351-2
Пылесборник для LS0810/LS1030
1
405
410602-8
Замок пылесборника для LS1030/
1
405
410985-6
FASTENER(верс1)
1
406
782209-3
Торцовый ключ 9 для креп.ножей
1
407
792345-7
Пильный диск 210 мм.
1
408
122344-9
Зажим в сборе для LS0810
1
409
192932-6
деталь
1
901
961018-5
Стопорное кольцо E-5 к LS1013/
1
905
911138-5
Винт M4X20 к 1002BA/1100/1901/
1


Войти Регистрация
Корзина0 позиций на сумму 0 руб.