Красноярск +7 (391) 256-03-74, 256-04-23 Заказать звонок
Адрес: ул.Телевизорная, 4
Время работы: ПН-ПТ 9-18, СБ, ВС - выходной
Войти Регистрация
Корзина0 позиций
на сумму 0 руб.

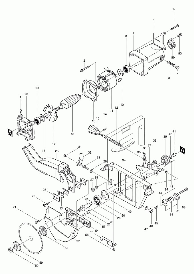
2708

Артикул
Наименование
Кол.
1
652012-5
Винт M4X8
1
2
911290-9
Винт M5X65 для 1002BA/2400B/
2
3
211068-3
Подшипник 6200LB
1
4
157243-6
Корпус двигателя для 2708
1
5
341887-4
Указатель B
1
6
911263-2
Винт M5X40 к 4105KB/2708/3612/
4
7
643650-4
Колпачок щеткодерж-ля 6.5-13.5
2
8
181044-0
Угольные щетки CB-153
1
10
681623-9
Изоляционная шайба к 2012NB/
1
11
524698-4
Cтатор в сборе 220V
1
12
321478-7
деталь
1
13
411448-5
Защита статора на 2708
1
14
951157-9
Пружинный штифт 5-16 2708
1
15
514552-0
Pотор в сборе для модели 2708
1
16
271254-8
Ручка-регулятор 45 2708
1
17
241515-0
Крыльчатка 92 для 2412N/2414NB(new)
1
18
213202-1
Пыльник 15 HM1200/2412N/2414/
1
19
211206-7
Подшипник 15/35
1
20
315431-3
Корпус редуктора
1
21
911241-2
Винт M5X25 к DA6301/2708/9401/
4
22
922316-2
Болт с внутр.шестигран. М6Х14
2
23
341927-8
Пластина крепления кожуха
1
24
341928-6
деталь
4
25
168192-2
Защита лезвия 2708
1
26
254013-5
Сегментная шпонка 5
1
27
931502-4
Шестигранная гайка M10
1
28
257008-7
Kольцо 10(new)
1
28
253024-7
Плоская шайба 10
1
29
942251-8
Шайба Гровера 10 2708/BLS820/
1
31
922243-3
Болт шестигранный M5X25
1
31
912312-8
Потайной винт М6Х12(верс1)
1
32
154686-3
LEVER 90 COMPLETE(new)
1
32
272224-0
LEVER 90 COMPLETE(верс1)
1
33
266372-5
SET BOLT M10X18(new)
1
33
265920-7
Болт фиксации M10X18 2708(верс1)
1
34
168098-4
Каркас
1
35
341870-1
деталь
1
36
231758-2
Натяжная пружина 13
1
37
253813-0
Плоская шайба 12
1
38
265279-2
Болт с шестигранной головк.M10
1
39
221731-0
Косозубая шестерня 45 к 2708
1
40
961060-6
Стопорное кольцо S-20 HR4000C/
1
41
212066-0
Игольчатый подшипник 1015
1
43
263015-0
Нейлоновая шпилька 10
1
44
321741-8
деталь
1
45
951157-9
Пружинный штифт 5-16 2708
1
46
257588-3
Bтулка 9 для 2708
1
47
253733-8
Плоская шайба 9
1
49
253847-3
Плоская шайба 40
1
50
211306-3
Подшипник 6204LLB
1
51
321477-9
Шпиндель к 2708
1
52
257626-1
Bтулка 8 для 2708
1
53
256165-8
Шпилька 8
1
54
311574-9
Крышка корпуса редуктора 2708
1
55
341886-6
Указатель A
1
56
911204-8
PAN HEAD SCREW M5X8
2
57
164622-1
Кожух диска для 2708
1
58
224195-7
Внутренний фланец 55
1
59
224196-5
Наружный фланец 55
1
60
931602-0
Шестигранная гайка M12 HM1800/
1
89
312749-3
Корпус подшипника для 2708
1
90
911221-8
Винт M5X16 к HM1304/2106/2708/
2
91
231378-2
Компрессионная пружина 24
1
92
342797-8
Держатель для 2708
2
93
911252-7
Винт M5X30 для 2708/9910/9911
2
94
267015-2
Плоская шайба 9
1
400
271401-1
Ручка-регулятор 32 2702/2708
1
401
253047-5
Плоская шайба 6
1
402
315130-7
ANGLE RULE
1
407
265809-9
Болт с квадр.подголовн. M8X500
1
408
316665-1
RULE HOLDER(new)
1
408
315432-1
RULE HOLDER(верс1)
1
410
341888-2
RULE UNDER PLATE
1
411
265391-8
Болт+ с шестигранной гол.M6X16
2
412
164620-5
RULER
1
413
265391-8
Болт+ с шестигранной гол.M6X16
2
414
911214-5
PAN HEAD SCREW M5X12
1
415
816099-3
INDICATION PLATE
1
416
273465-1
Боковая ручка 28 для 2708
1
421
792072-6
комплектующие и аксессуары
1
424
783203-8
Шестигранный ключ 5
1
425
411447-7
деталь
2
426
342690-6
SPACER
3


Войти Регистрация
Корзина0 позиций на сумму 0 руб.