Красноярск +7 (391) 256-03-74, 256-04-23 Заказать звонок
Адрес: ул.Телевизорная, 4
Время работы: ПН-ПТ 9-18, СБ, ВС - выходной
Войти Регистрация
Корзина0 позиций
на сумму 0 руб.

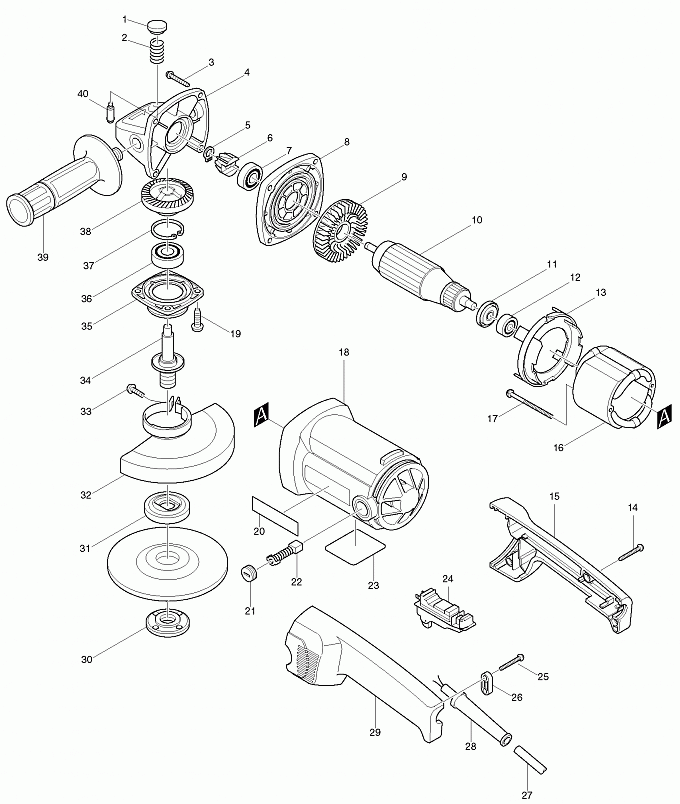
9016B

Артикул
Наименование
Кол.
1
416449-8
Кнопка стопорного штифта
1
2
233089-5
Компрессионная пружина 12
1
3
266173-1
Самонарез. винт. фланец PT5X30
4
4
153374-9
Корпус редуктора 9015B/9016B
1
5
961003-8
Стопорное кольцо S-7 к HR2450/
1
6
226756-9
Коническая спирал. шестерня 11
1
7
211131-2
Подшипник 12/28
1
8
317323-2
Крышка корп.редуктора к 9015B/
1
9
240010-7
Крыльчатка 70 для 9015B/9016B
1
10
516334-6
Pотор в сборе для 9015B/9016B
1
11
681644-1
Изоляционная шайба для 9227CB/
1
12
210005-4
Подшипник 608DDW
1
13
416448-0
Защита статора для 9015B/9016B
1
14
265995-6
Самонарезающий винт 4X18
4
15
182990-0
Рукоятка 9015B/9016B
1
16
522838-8
Cтатор в сборе для 9015B/9016B
1
17
266029-8
Самонарез. винт. фланец PT5X65
2
18
183159-9
Корпус мотора для 9015B/9016B
1
19
265096-0
Винт M5X16
4
20
819001-5
Этикетка с эмблемой Макита
2
21
643750-0
Колпачок щеткодержателя к 4131
2
22
191963-2
Угольные щетки CB-303
1
23
859285-3
NAME PLATE 9016B
1
24
650100-2
Выключатель TG08-1300-011(new)
1
24
651146-1
Выключатель 1267.5102 к 9069/(верс1)
1
25
265995-6
Самонарезающий винт 4X18
2
26
687063-9
Зажим кабеля желтый (ME25)
1
27
666066-6
Кабель пластиковый 1.00-2-2.5
1
28
682503-2
Усилитель кабеля 8-90 к 9029S/
1
29
182990-0
Рукоятка 9015B/9016B
1
30
224554-5
Гайка прижимная 14-45(new)
1
31
224415-9
Внутренний фланец(new)
1
31
224298-7
Внутренний фланец 42(верс1)
1
32
134961-3
Защитный кожух диска
1
33
251391-4
Винт M5X16
1
34
152572-2
Шпиндель к 9015B/9016B
1
35
316991-8
Корпус подшипника для 9015B/
1
36
211129-9
Подшипник 12/32
1
36
211146-9
Подшипник 12/32(верс1)
1
37
962151-6
Стопорное кольцо R-32 9555NB/
1
38
226754-3
Коническая спирал. шестерня 35
1
39
152492-0
Боковая ручка 36
1
40
256446-0
Шпилька 6
1
41
262086-4
Резиновое кольцо 29 9015B/9016
1
42
442126-6
Резиновая прокладка 9015B
1
1001
782407-9
Ключ зажимной гайки MA415
1
5001
645088-9
Фильтр помех к 9067/9027/9079/
1


Войти Регистрация
Корзина0 позиций на сумму 0 руб.