Красноярск +7 (391) 256-03-74, 256-04-23
Адрес: ул.Телевизорная, 4
Время работы: ПН-ПТ 9-18, СБ, ВС - выходной
Войти Регистрация
Корзина0 позиций
на сумму 0 руб.

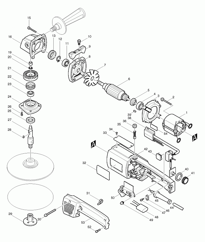
9207SPC

Артикул
Наименование
Кол.
1
528733-0
Cтатор в сбоpe 220V
1
2
911295-9
PAN HEAD SCREW M5X70
2
3
411263-7
Защита статора 9207SPB/9217SPС
1
4
211033-2
Подшипник 608LB
1
5
681621-3
Изоляционная шайба
1
6
512813-2
Pотор в сборе 220В к 9207SPC
1
7
241080-9
Крыльчатка 68 9207SPB/9217SPC
1
8
315733-7
Крышка корп. редуктора 9207SPC
1
9
421275-2
Опора корпуса редуктора
1
10
251306-1
Винт (+) M5
2
11
211201-7
Подшипник 6002LLB
1
12
961055-9
Стопорное кольцо S-15 BO6030/
1
13
285816-6
Фиксатор подшипника 19-33
1
15
911261-6
Винт M5X40 к 4110C/9401/9900B/(верс1)
4
16
133324-0
Корпус редуктора в сборе
1
16
312355-4
Корпус редуктора(верс1)
1
19
212005-0
Игольчатый подшипник 810
1
20
961052-5
Стопорное кольцо S-12 9555NB/
1
21
221365-9
Спирально-конич. шестерня 44
1
22
285805-1
Фиксатор подшипника 22-34
1
23
211106-1
Подшипник 6201LLB
1
24
312795-6
Корпус подшипника для 9207SPB
1
25
213301-9
Пыльник 20
1
26
911121-2
Винт M4X14 для 9522NB/1100/
4
27
325433-1
Шпиндель к 9207SPB/9217SPС
1
28
254002-0
Сегментная шпонка 3
1
29
224515-5
деталь
1
30
911173-3
Винт M4X45 для 6822
2
31
687010-0
Ремешок для 4110C/9077/9402/
2
32
818639-3
LABEL
1
33
855321-3
NAME PLATE 9207SPC
1
34
953106-2
Заклёпка 0-5 для 4110C/1901/
2
35
181030-1
Угольные щетки CB-100
1
36
643600-9
Колпачок щеткодержателя 6-10
2
38
631069-9
Контроллер 200V- для 9207SPC
1
39
263014-2
Резиновая шпилька 4
1
40
213261-5
О-кольцо 17 резиновое
1
41
271411-8
Ручка-регулятор 28 9217SPC
1
42
159739-3
Корпус двигателя в сб.9217SPC/(new)
1
42
157268-0
Корпус двигателя для 9207SPC(верс1)
1
43
646327-0
деталь
1
44
665516-8
Кабель резиновый 1.00-2-2.5
1
45
682502-4
Усилитель кабеля 8-85 к 1806B/
1
46
687001-1
Держатель кабеля для BO4550/
1
47
911133-5
Винт M4X18 к 1911B
2
48
645173-8
Фильтр помех к JR3000V/HR1800/
1
49
911103-4
Винт M4X6 1805B/LC1230/2412N/
2
50
651018-0
Выключатель HPAHR2-3S HK1820L/
1
52
911153-9
Винт M4x28 к KP312S/1100/1125/
2
53
155625-6
Крышка рукоятки в сборе
1
54
685727-9
DOUBLE-COATED ADHESIVE SHEET
2
400
152492-0
Боковая ручка 36
1
401
781008-0
Гаечный ключ 17 3700B/3707/
1
402
782412-6
Ключ зажимной гайки 28
1
403
794176-0
Полир.насадка овч.180 .веревка
1
404
743012-7
Резиновая подушка 170
1
405
794094-2
ABRASIVE DISC 180 #50
1


Войти Регистрация
Корзина0 позиций на сумму 0 руб.