Красноярск +7 (391) 256-03-74, 256-04-23
Адрес: ул.Телевизорная, 4
Время работы: ПН-ПТ 9-18, СБ, ВС - выходной
Войти Регистрация
Корзина0 позиций
на сумму 0 руб.

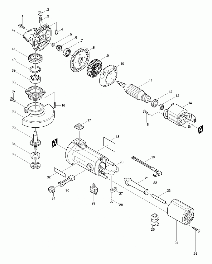
9525NB

Артикул
Наименование
Кол.
1
266041-8
Самонарез. винт. фланец PT5X25
4
2
415491-6
Кнопка стопорного штифта
1
3
233072-2
Компрессионная пружина 8
1
4
256437-1
Шпилька 4
1
5
961002-0
Стопорное кольцо S-6 к 4329/
1
6
227408-5
Коническая спирал. шестерня 10
1
7
211062-5
Подшипник 10/26
1
8
285684-7
Фиксатор подшипника 5 29524NB/
1
9
241890-4
Крыльчатка 57 к 9524NB/9525NB
1
10
415954-2
Защита статора к 9524NB/9525NB
1
11
517303-0
Pотор в сб. к 9523NB/9524NB/
1
12
681638-6
Изоляционная шайба для 9528NB/
1
13
211012-0
Подшипник 606ZZ
1
14
521623-6
Cтатор в сборе к 9524NB/9525NB
1
15
266007-8
Самонарез винт зажимной РT3X10
2
16
266034-5
Самонарезающий винт CT4X16
4
17
415952-6
Кнопка выключателя для 9528NB/
1
18
851575-0
NAME PLATE 9525NB
1
19
417352-6
Рычаг выключателя для 9528NB/
1
20
159866-6
Корпус двигателя в сб. 9528NB/
1
21
682502-4
Усилитель кабеля 8-85 к 1806B/
1
22
233285-5
Компрессионная пружина 4
1
23
666066-6
Кабель пластиковый 1.00-2-2.5
1
24
415955-0
Задняя крышка к 9524NB/9525NB/
1
25
265995-6
Самонарезающий винт 4X18
2
26
654532-5
Соединитель
1
27
687123-7
Винт натяжителя цепи к MT560(new)
1
27
687063-9
Зажим кабеля желтый (ME25)
1
28
265995-6
Самонарезающий винт 4X18
2
29
651433-8
Выключатель ST115A-31 9528NB/(new)
1
29
651403-7
Выключатель ST115A-31 9524NB/(верс1)
1
30
191940-4
Угольные щетки CB-411
1
31
643928-5
Колпачок щеткодержателя 3707/
2
32
819063-3
Этикетка с эмблемой Макита S
1
33
224554-5
Гайка прижимная 14-45(new)
1
34
224415-9
Внутренний фланец(new)
1
34
224298-7
Внутренний фланец 42(верс1)
1
35
152522-7
Шпиндель к 9524NB/9525NB
1
36
125097-9
Кожух диска в сборе 9565/9015B
1
37
251391-4
Винт M5X16
1
38
316800-1
Корпус подшипника для 9528NB/
1
39
211129-9
Подшипник 12/32
1
40
962151-6
Стопорное кольцо R-32 9555NB/
1
41
227407-7
Коническая спирал. шестерня 36
1
42
159867-4
Корпус редуктора в сб. 9425NB/
1
1001
153489-2
Боковая ручка 36 для MT953(new)
1
1001
152490-4
Боковая ручка 36
1
1003
782407-9
Ключ зажимной гайки MA415
1
5002
645200-1
Фильтр помех для 5012B/HR2400/
1


Войти Регистрация
Корзина0 позиций на сумму 0 руб.