Красноярск +7 (391) 256-03-74, 256-04-23
Адрес: ул.Телевизорная, 4
Время работы: ПН-ПТ 9-18, СБ, ВС - выходной
Войти Регистрация
Корзина0 позиций
на сумму 0 руб.

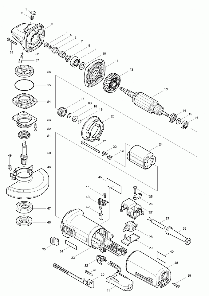
9565CV

Артикул
Наименование
Кол.
1
418067-8
Кнопка стопора для 9565/9565C/(new)
1
1
417236-8
Кнопка стопорного штифта
1
2
233072-2
Компрессионная пружина 8
1
3
153488-4
Корпус редуктора 9565/9562/(new)
1
3
153718-3
Корпус редуктора в сб. 9562CV/(верс3)
1
4
931303-0
Шестигранная гайка M6 к 9565/
1
5
253077-6
Плоская шайба 6 к 9565/9910/
1
6
227513-8
SPIRAL BEVEL GEAR 11(new)
1
6
226794-1
Коническая спирал. шестерня 11
1
7
233901-9
Стопорная пружина 12 для 9562/
1
8
961052-5
Стопорное кольцо S-12 9555NB/
1
9
211142-7
Подшипник 6001LLB
1
10
253084-9
Плоская шайба 12 9565/BO6040/
1
11
317359-1
Крышка корпуса редуктора 9565/
1
12
240033-5
Крыльчатка 57 для 9565/9566
1
13
515228-2
Pотор в сборе к 9565C/9565CV
1
14
681656-4
Изоляционная шайба для 9565/
1
15
253823-7
Плоская шайба 7
1
16
210027-4
Подшипник 7/22
1
17
421738-8
Пыльник резиновый 22 для 9565/
1
18
688117-5
Магнитная втулка для GD0800C/(верс1)
1
19
259039-2
Стопорная шайба 6 4340/9566C/
1
20
413076-2
Защита статора для 9562/9565/
1
21
266258-3
Самонарезающий винт 4X70
2
22
344871-8
Держатель для 9562/9564/9565/
2
23
417237-6
Изоляционная втулка для 9565/
2
24
626503-2
Cтатор к 9565CV/9566CV/9565C/
1
25
265995-6
Самонарезающий винт 4X18
2
26
687124-5
Держатель кабеля к 3709/MT360/(new)
1
26
687052-4
Прижимная пластина к HR2450/
1
26
687063-9
Зажим кабеля желтый (ME25)
1
27
632945-0
Держатель выключателя к 9562/
1
28
651418-4
Выключатель ST115A-40 к 9565/(верс1)
1
29
687113-0
Крышка корпуса для 9565/9562/
1
30
417186-7
Рычаг выключателя к 9564/9565/
1
31
233071-4
Компрессионная пружина 4
1
32
643760-7
Щеткодержатель для 9565/9564/
1
33
453276-2
MOTOR HOUSING(new)
1
33
451278-2
MOTOR HOUSING(верс2)
1
33
418512-3
Корпус мотора для 9564/9565/(new)
1
33
183740-6
Корпус мотора 9564(верс1)
1
34
819080-3
Этикетка с эмблемой 11X43
1
35
417813-6
Кнопка выключателя для 9565/(new)
1
36
682559-5
Усилитель кабеля 8 для 9558NB/
1
37
665394-6
Кабель резиновый 1.0-2-2.5
1
37
666066-6
Кабель пластиковый 1.00-2-2.5
1
38
417185-9
Задняя крышка корпуса GD0800C/
1
39
265995-6
Самонарезающий винт 4X18
1
40
893287-9
OPERATIONAL INDICATION LABEL(new)
1
40
816504-0
OPERATIONAL INDICATION LABEL(верс2)
1
40
816796-1
OPERATIONAL INDICATION LABEL
1
41
631384-1
Контроллер для 9565CV/9565CVL
1
42
191978-9
Угольные щетки CB-318 автооткл(new)
1
43
643760-7
Щеткодержатель для 9565/9564/
1
44
266256-7
Самонарезающий винт PT3X10
4
45
852401-6
NAME PLATE 9565CV
1
46
224554-5
Гайка прижимная 14-45(new)
1
47
224415-9
Внутренний фланец(new)
1
47
224298-7
Внутренний фланец 42(верс1)
1
48
123145-8
TOOLLESS WHEELCOVER 125AK ASSY(new)
1
48
122895-2
Кожух диска 5021(верс2)
1
48
135108-2
Кожух диска 9562/9565(new)
1
48
163415-3
Кожух диска 9562/9565(верс2)
1
49
265180-1
Винт M5X16(new)
1
49
251391-4
Винт M5X16
1
50
324035-0
Шпиндель для 9562/9564/9565/(new)
1
51
415300-9
Пыльник к 9541/9542/9562/9564/
1
52
265490-6
Болт с внутр.шестигран. M4X16(new)
4
54
318334-0
Корпус подшипника(new)
1
54
318302-3
Корпус подшипника(new)
1
54
317570-5
Корпус подшипника к 9564/9565/(верс2)
1
55
213673-2
О-кольцо 52 резиновое
1
56
227514-6
SPIRAL BEVEL GEAR 38(new)
1
56
226795-9
Коническая спирал. шестерня 38(верс1)
1
57
256459-1
Шпилька для 9565/9562/9564
1
58
213048-5
О-кольцо 6 резиновое 9565/
1
59
266257-5
Самонарезающий винт 4X28
4
60
267756-0
Волновая шайба 6 для BO6040/
1
63
285841-7
Фиксатор подшипника для 9565/
1
64
211129-9
Подшипник 12/32
1
65
805W65-3
CLEAR LABEL(new)
1
65
819329-1
CLEAR LABEL(верс1)
1
1001
153489-2
Боковая ручка 36 для MT953(new)
1
1001
152490-4
Боковая ручка 36
1
1002
D-18465
Диск шлиф./металл 125х6х22.23(new)
1
1003
782423-1
Ключ зажимной гайки 35 9558NB/
1
1003
782407-9
Ключ зажимной гайки MA415
1
1004
823256-6
STEEL CASE(new)
1
1005
800K24-0
COLOR LABEL
1
1006
837230-8
TRAY
1


Войти Регистрация
Корзина0 позиций на сумму 0 руб.