Красноярск +7 (391) 256-03-74, 256-04-23 Заказать звонок
Адрес: ул.Телевизорная, 4
Время работы: ПН-ПТ 9-18, СБ, ВС - выходной
Войти Регистрация
Корзина0 позиций
на сумму 0 руб.

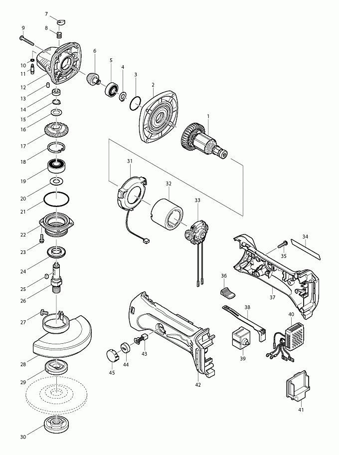
DGA452

Артикул
Наименование
Кол.
1
619218-8
Ротор в сб. для BGA452(new)
1
2
317821-6
Корпус редуктора для 9558NB/
1
3
213445-5
O-Кольцо 26 для MT950
1
4
961005-4
Стопорное кольцо S-9 к 9069S/
1
5
210042-8
Подшипник 629(new)
1
6
227501-5
Косозуб.конич. шестерня 19
1
7
417771-6
Кнопка стопорного штифта MT953
1
8
233072-2
Компрессионная пружина 8
1
9
266361-0
Самонарезающий винт 4X30(верс1)
4
10
213960-9
О-Кольцо 5
1
11
256496-5
Шпилька 4
1
12
318051-2
Корпус редуктора для BGA452/
1
13
263002-9
Резиновая шпилька 4
1
14
210033-9
Шариковый подшипник 6/15
1
15
961052-5
Стопорное кольцо S-12 9555NB/
1
16
253744-3
Плоская шайба 12
1
17
227502-3
Косозуб.конич. шестерня 11
1
18
962151-6
Стопорное кольцо R-32 9555NB/
1
19
211129-9
Подшипник 12/32
1
20
267238-2
Плоская шайба 12 для MT953/
1
21
213622-9
О-кольцо 45
1
22
318331-6
Корпус подшипника(new)
1
23
911121-2
Винт M4X14 для 9522NB/1100/
4
24
345464-4
Лабиринтное кольцо для 9555NB/
1
25
254011-9
Сегментная шпонка 4
1
26
324489-1
Шпиндель для 9554NB/9555NB/
1
27
265180-1
Винт M5X16(new)
1
28
123098-1
WHEEL COVER 115AK ASS'Y(new)
1
29
224415-9
Внутренний фланец(new)
1
30
224554-5
Гайка прижимная 14-45(new)
1
31
631714-6
Светодиод для BGA452(CONT)/
1
32
638627-2
Обойма с магнитами для BGD800(new)
1
33
638921-2
Щеточный узел в сборе(new)
1
34
815H70-2
DGA452 NAME PLATE
1
35
266326-2
Самонарезающий винт 4х18(new)
5
36
419566-3
Кнопка выключателя для 9555NB/
1
37
187843-8
HOUSING SET(new)
1
38
419519-2
Рычаг выключателя для BGD800
1
39
650579-7
Выключатель к BGA452/BGA450
1
40
620243-4
CONTROLLER(new)
1
41
644808-8
TERMINAL(new)
1
42
187843-8
HOUSING SET(new)
1
43
191971-3
Угольные щетки CB-430
1
44
643954-4
Колпачок щеткодержателя 8443D/
2
45
419518-4
Держатель пластины для BGA452/
2
1001
153489-2
Боковая ручка 36 для MT953(new)
1
1002
782423-1
Ключ зажимной гайки 35 9558NB/
1
1003
***DC18RC
DC18RA FAST CHARGER(верс1)
1
1004
196015-4
BATTERY BL1830 SET(верс6)
2
1005
141257-5
Кейс BGA452(new)
1
1006
A-80640
GRINDING WHEEL 115X6X22(A36P)(верс1)
1
1008
450128-8
Крышка аккумулятора для BTM40
1
5002
805459-4
SAFETY INSTRUCTION LABEL
1


Войти Регистрация
Корзина0 позиций на сумму 0 руб.