Красноярск +7 (391) 256-03-74, 256-04-23
Адрес: ул.Телевизорная, 4
Время работы: ПН-ПТ 9-18, СБ, ВС - выходной
Войти Регистрация
Корзина0 позиций
на сумму 0 руб.

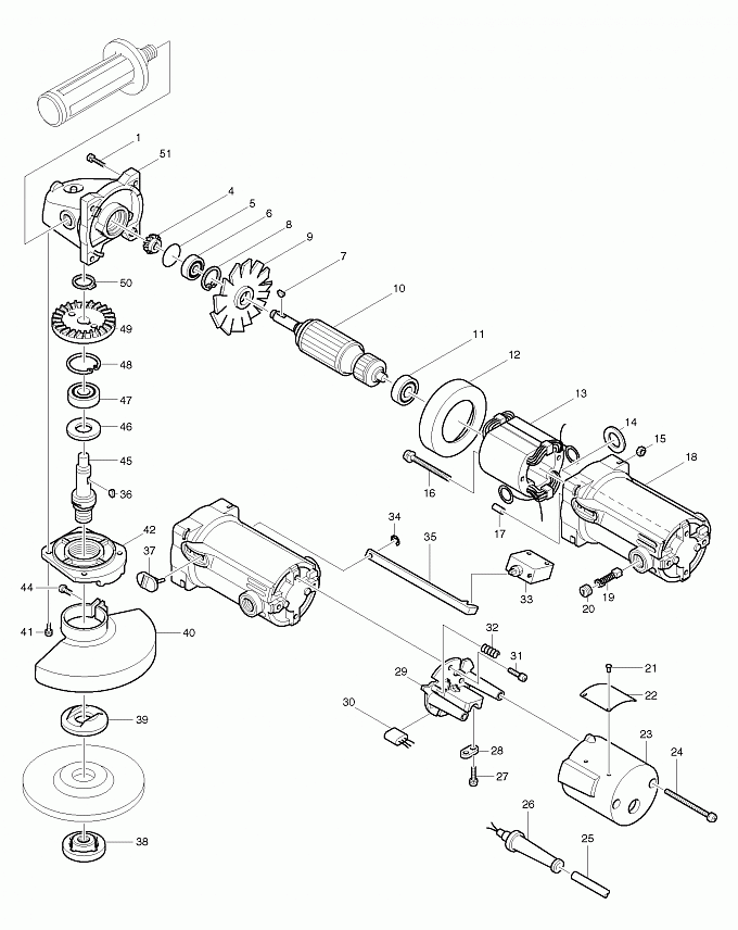
GA5000

Артикул
Наименование
Кол.
1
911146-6
Винт M4X25
4
4
221354-4
Спирально-конич. шестерня 13
1
5
213407-3
О-кольцо 26 резиновое
1
6
211063-3
Подшипник 6000LB(верс1)
1
7
254002-0
Сегментная шпонка 3
1
8
962105-3
Стопорное кольцо R-26 GA5030
1
9
241517-6
Крыльчатка 70 для GA5000/9005B
1
10
515153-7
Pотор в сборе 220V
1
11
211033-2
Подшипник 608LB
1
12
410021-8
Защита статора на GA5000
1
13
528129-5
Cтатор в сбоpe 220V
1
14
681001-3
Изоляционная шайба
2
15
931102-0
Шестигранная гайка M4 к ML122/
4
16
911200-6
PAN HEAD SCREW M4X70
2
17
263002-9
Резиновая шпилька 4
1
18
156901-1
Корпус двигателя для GA5000
1
19
181030-1
Угольные щетки CB-100
1
20
643600-9
Колпачок щеткодержателя 6-10
2
21
953106-2
Заклёпка 0-5 для 4110C/1901/
4
22
854598-7
NAME PLATE GA5000
1
23
411938-8
Задняя крышка корпуса двигател
1
24
911293-3
PAN HEAD SCREW M5X70
2
25
682504-0
Усилитель кабеля 10-85 к 1125/
1
26
665516-8
Кабель резиновый 1.00-2-2.5
1
27
911123-8
Винт M4X14 для 1911B/1923H/
2
28
687001-1
Держатель кабеля для BO4550/
1
29
411939-6
деталь
1
30
645253-0
Фильтр помех для 9542/HR2450/
1
31
911123-8
Винт M4X14 для 1911B/1923H/
2
32
231223-1
Компрессионная пружина 6
1
33
651476-0
Выключатель STE210K-1 /GA5000
1
34
257903-1
Cтопорное кольцо E-2.3
1
35
410272-3
Тяга выключателя
1
36
254002-0
Сегментная шпонка 3
1
37
411741-7
Рычаг выключателя
1
38
224554-5
Гайка прижимная 14-45(new)
1
38
224543-0
Гайка прижимная 14-45(верс1)
1
39
224415-9
Внутренний фланец(new)
1
39
224298-7
Внутренний фланец 42(верс1)
1
40
134440-1
Кожух диска 125 в сборе
1
41
911126-2
Винт M4X16 5016/5500S/5900BR/
4
42
315397-7
Корпус подшипника для GA5000
1
44
251259-4
Винт (+) M5X16
1
45
321341-4
Шпиндель к 9005B/GA5000
1
46
253055-6
Плоская шайба 12
1
47
211108-7
Подшипник 6201LB
1
48
962151-6
Стопорное кольцо R-32 9555NB/
1
49
221355-2
Спирально-конич. шестерня 40
1
50
961052-5
Стопорное кольцо S-12 9555NB/
1
51
156902-9
Корпус редуктора
1
43
942101-7
Шайба Гровера 5 к 1100/3708F/
1
401
152492-0
Боковая ручка 36
1
402
782407-9
Ключ зажимной гайки MA415
1


Войти Регистрация
Корзина0 позиций на сумму 0 руб.