Красноярск +7 (391) 256-03-74, 256-04-23 Заказать звонок
Адрес: ул.Телевизорная, 4
Время работы: ПН-ПТ 9-18, СБ, ВС - выходной
Войти Регистрация
Корзина0 позиций
на сумму 0 руб.

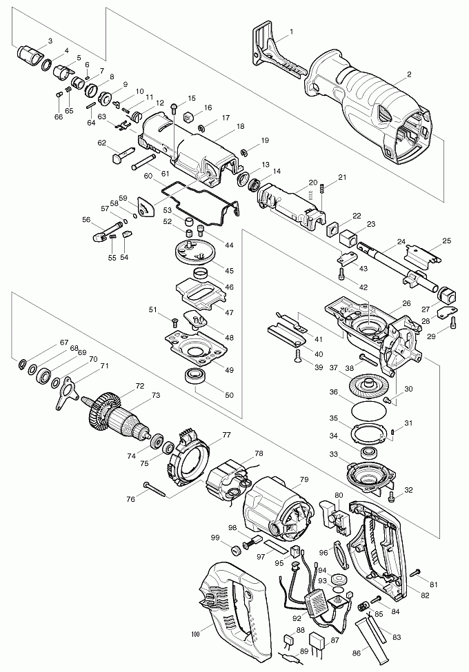
JR3070CT

Артикул
Наименование
Кол.
1
165406-0
Башмак для JR3070CT
1
2
421904-7
Изоляционная втулка к JR3070CT
1
3
424147-0
Пылеотражатель(new)
1
3
421894-4
Пылезащита для JR3050T(верс1)
1
4
257952-8
Стопорное кольцо (EXT) 18
1
4
961078-7
Стопорное кольцо для JR3030T/
1
5
310285-3
Втулка(new)
1
5
310160-3
Втулка для JR3050T/JR3060T/(верс1)
1
5
310160-3
Втулка для JR3050T/JR3060T/(верс1)
1
6
268094-3
Шпилька 3 для BJR240/BJR140D/
1
7
331720-8
Направляющая втулка BJR181
1
7
331639-1
Направляющая втулка к BJR240/
1
8
417791-0
Держатель направляющей втулки
1
9
418311-3
Втулка к BJR141/BJR181/BJR240/
1
10
345214-7
Нажимная пластина для BJR240/
1
11
233025-1
Компрессионная пружина 2
1
12
231687-9
Торсионная пружина 17
1
13
257742-9
Втулка 14
1
14
213174-0
X-кольцо 14 для JR3030/JR3030Т
1
15
911225-0
Винт M5x16 для BJR240/BJR141/
4
16
418806-6
Крышка маслянного канала
1
17
961012-7
Стопорное кольцо E-6 к BLS820/
1
18
154551-6
Крышка корпуса редуктора
1
19
961012-7
Стопорное кольцо E-6 к BLS820/
1
20
154502-9
Опора ползуна для JR3070CT
1
21
233038-2
Компрессионная пружина 5
2
22
423343-7
Пластина сальника к JR3070CT/
1
23
214170-1
Подшипник скольжения 14/26
1
24
168410-8
Ползун в сборе JR3060T(new)
1
24
154804-3
Ползун в сборе JR3060T(верс2)
1
24
168410-8
Ползун в сборе JR3060T(new)
1
25
345487-2
Пластина скольжения к JR3060T/
1
26
317842-8
Корпус редуктора для JR3070CT/
1
27
154547-7
Подшипник JR3070CT/JR3060T(new)
1
27
154547-7
Подшипник JR3070CT/JR3060T(new)
1
28
345486-4
Пластина В к JR3060T/JR3070CT
1
29
911225-0
Винт M5x16 для BJR240/BJR141/
2
29
266086-6
Болт M5X16 с внутр.шестигранн.
2
30
265530-0
Болт с внутр.шестигран. М5Х8(new)
3
31
951051-5
Пружинный штифт 3-8
1
32
911225-0
Винт M5x16 для BJR240/BJR141/
3
33
317844-4
Корпус подшипника к JR3070CT/
1
34
211101-1
Подшипник 6001LLB
1
35
345488-0
Пластина для редуктора
1
36
213726-7
О-кольцо 62
1
37
154549-3
Ограничитель крутящего момента
1
38
266373-3
Самонарезающийся винт 5X35
4
38
266012-5
Самонарез. винт. фланец 5X35
4
39
265165-7
Болт с внутр.шестигран. BJR181
1
39
265149-5
+ COUNTERSUNK HEAD SCREW M6X16(верс1)
1
40
345479-1
Пластина
1
41
232222-6
Плоская пружина
1
42
911225-0
Винт M5x16 для BJR240/BJR141/
2
42
266086-6
Болт M5X16 с внутр.шестигранн.
2
43
345485-6
Пластина А к JR3060T/JR3070CT
1
44
265531-8
Болт с внутр. шестигр-ом М6х14
1
45
154545-1
Кривошип в сб JR3060T/JR3070CT(new)
1
45
154545-1
Кривошип в сб JR3060T/JR3070CT(new)
1
46
257265-7
Кольцо 21
1
47
313121-2
Эксцентрик для JR3070CT
1
48
154546-9
Ось кривошипа JR3060T/JR3070CT
1
49
345489-8
Направляющая пластина
1
50
211251-2
Подшипник 6003LLB
1
51
265148-7
Болт с внутр.шестигран. M5X14
4
52
212957-5
Игольчатый подшипник 7/14
1
54
418991-5
Крышка корпуса кривошипа
1
55
231309-1
Компрессионная пружина 5
1
56
272247-8
Рычаг 20 для JR3060T/JR3070CT
1
57
213021-5
О-кольцо 5 резиновое LS1013/
1
58
213021-5
О-кольцо 5 резиновое LS1013/
1
59
413095-8
Пластина С к JR3060T/JR3070CT
1
60
421899-4
Резиновая прокладка к JR3060T/
1
61
268012-1
Шпилька 7 для JR3020/JR3060T/(new)
1
62
162236-0
Кнопочный выключатель BJR181/
1
63
232221-8
Плоская пружина
1
64
256158-5
Шпилька 3(верс1)
1
65
233345-3
Компрессионная пружина 6
1
66
256492-3
Шпилька 5
1
67
961052-5
Стопорное кольцо S-12 9555NB/
1
68
253744-3
Плоская шайба 12
1
69
211131-2
Подшипник 12/28
1
70
253744-3
Плоская шайба 12
1
71
285719-4
Фиксатор подшипника А JR3060T/
1
73
513603-6
Ротор в сборе для JR3070CT
1
74
681650-6
Изоляционная шайба к HR4000C/
1
75
210029-0
Подшипник 608ZZ(new)
1
76
266056-5
Самонарез. винт. фланец PT5X45
2
76
266466-6
Болт с внутр.шестигран. 5X45(верс2)
2
76
266056-5
Самонарез. винт. фланец PT5X45
2
77
418817-1
Защита статора для JR3060T/
1
78
525718-7
Статор в сборе для JR3070CT
1
79
154498-4
Корпус мотора в сборе JR3060T/
1
80
650222-8
Выключатель TG71ARS-1 JR3060T/(new)
1
80
650219-7
SWITCH TG71ARS-1(верс1)
1
81
265995-6
Самонарезающий винт 4X18
5
82
183933-5
HANDLE SET
1
83
665890-4
Кабель резиновый 1.0-2-4.0
1
84
265995-6
Самонарезающий винт 4X18
2
85
687124-5
Держатель кабеля к 3709/MT360/(new)
1
85
687052-4
Прижимная пластина к HR2450/
1
86
682573-1
Усилитель кабеля 10
1
87
645253-0
Фильтр помех для 9542/HR2450/
1
88
645006-7
Фильтр помех для LS1013/6905B/
1
89
646049-2
Конденсатор к LS1013/JR3000VT/
1
92
631651-4
Контроллер для модели JR3070CT
1
93
213261-5
О-кольцо 17 резиновое
1
94
418905-4
DIAL
1
95
418518-1
Втулка для GA5021C/JR3070CT/
1
96
421448-7
деталь
1
97
861231-4
JR3070CT NAME PLATE
1
98
191963-2
Угольные щетки CB-303
1
99
643750-0
Колпачок щеткодержателя к 4131
2
100
183933-5
HANDLE SET
1
72
241863-7
Крыльчатка 70 HR3000C/HR3550C
1
101
125524-6
GEAR HOUSING COVER ASSEMBLY
1
1001
821621-3
PLASTIC CARRYING CASE(new)
1
1001
824734-9
Пластиковый кейс(верс1)
1
1002
B-05038
Нож.пилка 152.5мм./металл 5шт.(new)
1
1002
792003-5
Ножовочная пилка
1
1003
B-05044
Пилки для сабельной пилы
1
1004
B-05153
Ножовочная пилка (дер.)
1


Войти Регистрация
Корзина0 позиций на сумму 0 руб.