Красноярск +7 (391) 256-03-74, 256-04-23
Адрес: ул.Телевизорная, 4
Время работы: ПН-ПТ 9-18, СБ, ВС - выходной
Войти Регистрация
Корзина0 позиций
на сумму 0 руб.

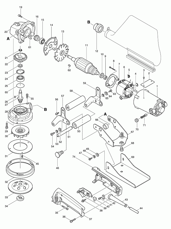
PC1100

Артикул
Наименование
Кол.
1
156844-7
Корпус двигателя для PC1100
1
2
854593-7
NAME PLATE PC1100
1
3
953101-2
Заклёпка 0-3 к PC1100/SR1800/
2
4
263002-9
Резиновая шпилька 4
1
5
687010-0
Ремешок для 4110C/9077/9402/
1
6
522683-1
Cтатор в сборе 220В для PC1100
1
7
411876-4
Защита статора к JN3200/9005B/
1
8
911290-9
Винт M5X65 для 1002BA/2400B/
2
9
210005-4
Подшипник 608DDW
1
10
681613-2
Изоляционная шайба для 1125/
2
11
516093-2
Pотор в сборе для PC1100/9005B
1
12
341836-1
Соединительная втулка к PC1100
1
13
241517-6
Крыльчатка 70 для GA5000/9005B
1
14
341850-7
Пластина для модели PC1100
1
15
211088-7
Подшипник 6000DDW/
1
16
187603-8
Коническая пара PC1100/9005В(new)
1
16
181737-9
Коническая пара PC1100/9005В(верс1)
1
19
911241-2
Винт M5X25 к DA6301/2708/9401/
4
20
159710-7
Корпус редуктора в сб. PC1100/(new)
1
21
961052-5
Стопорное кольцо S-12 9555NB/
1
22
187603-8
Коническая пара PC1100/9005В(new)
1
22
181737-9
Коническая пара PC1100/9005В(верс1)
1
23
257088-3
Kольцо 12
1
24
962151-6
Стопорное кольцо R-32 9555NB/
1
25
211129-9
Подшипник 12/32
1
26
254002-0
Сегментная шпонка 3
1
27
321437-1
Шпиндель для модели PC1100
1
28
157312-3
Крышка корпуса редуктораPC1100
1
29
911141-6
Винт M4X22 для модели PC1100
4
30
241637-6
Крыльчатка 76 для PC1100
1
31
341835-3
Сепаратор для модели PC1100
1
32
421182-9
Крышка пылесборника для PC1100
1
33
792289-1
Алм.шлиф.диск 110x15финал.обр.
1
34
224526-0
Гайка прижимная 12-30
1
35
911248-8
Винт M5X28 к KP312S/2106/5016/
4
36
911143-2
Винт M4X22 к 6317D/6312BR/
3
37
181460-6
Рукоятка в сборе к PC1100
1
38
911104-2
PAN HEAD SCREW M4X6
1
39
651033-4
Выключатель HPAHR2-35S PC1100
1
40
645105-5
Фильтр помех 1100/2708/LS1013/
1
41
911133-5
Винт M4X18 к 1911B
2
42
687001-1
Держатель кабеля для BO4550/
1
43
682503-2
Усилитель кабеля 8-90 к 9029S/
1
44
666216-3
Кабель пластиковый 1.5-2-2.5
1
45
911111-5
Винт M4X10
3
46
265264-5
Болт с шестигранной головк.M12
2
47
922312-0
Болт с внутр.шестигран. M6X12
2
48
942151-2
Шайба Гровера 6 к 2400B/2412N/
2
49
253011-6
Плоская шайба 6
2
50
152179-4
Передний ролик в сборе PC1100
1
51
321436-3
Штифт переднего ролика PC1100
1
52
941151-9
Плоская шайба 6 для HR3000C/
2
53
942151-2
Шайба Гровера 6 к 2400B/2412N/
2
54
922311-2
Болт с внутр.шестигран. М6Х12
2
55
911202-2
PAN HEAD SCREW M5X8
1
56
911211-1
Винт M5X12 для KP312S/5500S/
2
57
341838-7
Держатель ролика (лев.) PC1100
1
58
273416-4
Боковая ручка 25 для PC1100/
1
59
341837-9
Держатель ролика (прав) PC1100
1
60
213459-4
О-кольцо 32 резиновое
1
61
263002-9
Резиновая шпилька 4
1
62
254002-0
Сегментная шпонка 3
1
63
922312-0
Болт с внутр.шестигран. M6X12
2
64
942151-2
Шайба Гровера 6 к 2400B/2412N/
2
65
253011-6
Плоская шайба 6
2
66
257579-4
Bтулка 16 для PC1100
2
67
341839-5
Держатель основания для PC1100
1
68
251462-7
(-) Винт с плоской голов.M8X14
3
69
341840-0
Основание для модели PC1100
1
70
643600-9
Колпачок щеткодержателя 6-10
1
71
181030-1
Угольные щетки CB-100
1
74
181460-6
Рукоятка в сборе к PC1100
1
400
782401-1
Ключ зажимной гайки 20
1
401
783001-0
Плоская отвертка 6
1
402
783203-8
Шестигранный ключ 5
1
403
181789-0
Металлический чемодан
1
404
123203-0
Пылесборник PC1100/9035KB(new)
1
404
122193-4
Пылесборник PC1100/9035KB(верс1)
1


Войти Регистрация
Корзина0 позиций на сумму 0 руб.