Красноярск +7 (391) 256-03-74, 256-04-23 Заказать звонок
Адрес: ул.Телевизорная, 4
Время работы: ПН-ПТ 9-18, СБ, ВС - выходной
Войти Регистрация
Корзина0 позиций
на сумму 0 руб.

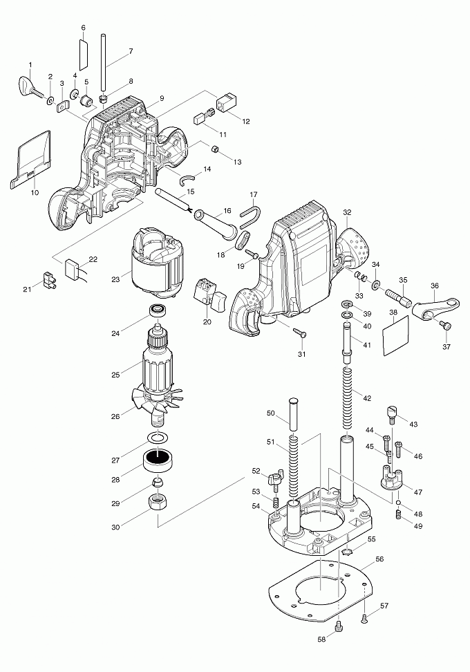
RP0900

Артикул
Наименование
Кол.
1
251878-6
Bинт M5x20 3620/HR2430/UM140D
1
2
941101-4
Плоская шайба 5 к 1100/HR2430/
1
3
346007-5
Опорная шайба
1
4
424156-9
Резиновая шпилька
1
5
252094-3
Шестигр. гайка M8 3620
1
6
816924-8
SCALE LABEL
1
7
321948-6
Ограничительный штифт для 3620
1
8
451035-8
Ограничитель глубины
1
9
188696-8
Корпус
1
10
450820-6
Защита
1
11
181410-1
Угольные щетки СВ-106
1
12
643601-7
Щеткодержатель 6-10 к 1125/
2
13
931202-6
Шестигранная гайка M5 HR2430/
1
14
443073-4
Фетровая прокладка для 3620
1
15
665865-3
Кабель резиновый 1.0-2-2.5
1
16
682504-0
Усилитель кабеля 10-85 к 1125/
1
17
443074-2
Фетровая прокладка для 3620
1
18
687124-5
Держатель кабеля к 3709/MT360/(new)
1
19
266326-2
Самонарезающий винт 4х18(new)
2
20
651280-7
Выключатель SGE115CDY-5 к 3620
1
21
654532-5
Соединитель
1
22
645200-1
Фильтр помех для 5012B/HR2400/
1
23
594594-0
Cтатор в сбоpe
1
24
210044-4
Шариковый подшипник 608DDW
1
25
513779-9
Pотор в сбope 230-240V
1
27
267114-0
Плоская шайба 17 к 8412D/
1
28
211278-2
Подшипник 17/40 GA9030
1
29
763618-5
Цанговый зажим 8 мм. для 3620/
1
30
763615-1
Гайка цанги для 3608В/3620
1
31
266326-2
Самонарезающий винт 4х18(new)
7
32
188696-8
Корпус
1
33
233110-0
Компрессионная пружина 8
1
34
941202-8
Плоская шайба 8 к 2106/DA6301/
1
35
266920-0
SET BOLT M8(new)
1
35
266460-8
Болт M8 с внутр.шестигранн.(верс1)
1
36
450821-4
Рычаг 47
1
37
911213-7
Винт M5X12 для LS1013/1805B/
1
38
866313-7
RP0900 NAME PLATE
1
39
962065-9
Стопорное кольцо R-15 к 3620
1
40
267047-9
Плоская шайба 10 к 3620/6705D/
1
41
451524-3
Штифт
1
41
415992-4
Штырь 10 для модели 3620
1
42
231416-0
Компрессионная пружина 10
1
43
251447-3
(-) Винт с плоской головкой M6
1
44
265587-1
Болт+ с шестигранной гол.M5X20(new)
1
45
265586-3
Болт+ с шестигранной гол.M5X14(new)
1
46
265587-1
Болт+ с шестигранной гол.M5X20(new)
1
47
135264-8
Стопор
1
48
216022-2
Стальной шарик 7.0
1
49
231419-4
Компрессионная пружина 5
1
50
256651-9
Шпилька 10
1
51
231417-8
Компрессионная пружина 10
1
52
265761-1
Винт-барашек M5x10 для MT360/
2
53
231240-1
Компрессионная пружина 7
2
54
158808-7
Основание в сборе
1
55
259019-8
Стопорная шайба 15 3620
2
56
450819-1
Опорная плита
1
57
912112-6
Потайной винт M4X10 к RP1110C/
4
58
911206-4
Винт M5X10 к 4110C/1805B/3620/
2
26
240123-4
Крыльчатка 72
1
26
241835-2
Крыльчатка 72 для 3620
1
1001
164834-6
Параллельный упор
1
1002
781006-4
Гаечный ключ 13 3608B/3620
1
1003
781011-1
Гаечный ключ 22 3620/4105KB/
1
1004
763636-3
Цанговый зажим 6 мм. на 3620
1
1005
194733-8
Патрубок пылесборника
1
1006
824880-8
Пластиковый кейс RP0900
1


Войти Регистрация
Корзина0 позиций на сумму 0 руб.